所有分类
  • 所有分类
  • BIM模型

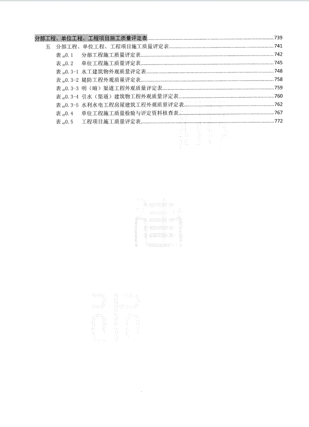
SL631.1~631.4-2025《配套质量检验表验收表》(全套电子版样表及填写示例)百度网盘PDF电子版下载

SL631.1~631.4-2025《配套质量检验表验收表》(全套电子版样表及填写示例)百度网盘PDF电子版下载
《水利水电工程单元工程施工质量检验表、验收表样表》(SL/T 631.1~631.4-2025)是 2025 年 5 月发布的参考性样表,依据对应验收标准及附录 A 样式制备,适用于官方版本发布前水利水电工程单元工程施工质量验收的参考使用,无官方效力。

核心框架与使用规则

  • 样表涵盖土石方工程、混凝土工程、地基处理与基础工程三大核心类别,包含数十类单元工程的 “检验表” 和 “验收表”,每类表格均明确划分 “主控项目” 和 “一般项目”。
  • 使用规则:需由项目法人组织参建单位划分单元工程,摘录对应表格编制项目专属验收表,可沿用原编号或重新编号,正式印发后执行;最终需以各地水行政主管部门(质量监督机构)要求为准,使用前需校对复核。

关键内容要点

  1. 表格核心结构
  • 统一包含单位工程名称、施工日期、分部工程名称、施工单位、单元工程名称 / 部位、单元工程量等基础信息。
  • 检验项目分 “主控项目”(核心质量要求,需 100% 符合)和 “一般项目”(常规质量要求,合格率需达标),明确质量要求、检查 / 检验记录、结论及问题处理意见。
  • 备查资料需包含检测报告、影像记录、测量成果、质量证明文件、隐蔽工程记录等。
  1. 主要工程类别覆盖
  • 土石方工程:涵盖土质 / 岩石岸坡、地基开挖,各类洞室开挖(钻爆法、掘进机法等),土料 / 砂砾料 / 堆石料填筑等,重点控制地质缺陷处理、开挖坡度、压实质量等。
  • 混凝土工程:包含普通混凝土、碾压混凝土、预应力混凝土等多种类型,覆盖备仓、浇筑、养护、预制构件安装等工序,核心控制原材料质量、浇筑工艺、外观尺寸及防渗性能。
  • 地基处理与基础工程:以岩石地基帷幕灌浆为核心,明确钻孔、灌浆材料、压力、浆液变换及封孔等关键环节的质量要求。
  1. 质量评定原则
  • 主控项目需全部符合要求,一般项目单项检验点合格率需达标,且不合格点不集中分布。
  • 验收需经施工单位自检、监理单位复核,重要部位需联合验收,验收意见需明确 “合格 / 不合格” 及 “同意 / 不同意通过验收”。

实施要求

  • 样表为参考性文件,需结合设计文件及国家现行强制性标准使用。
  • 表格使用中需及时记录质量问题及处理情况,可另附页补充;涉及隐蔽工程、关键工序的记录需完整留存。
资源下载
下载价格15.00
本站资源来源于用户上传,版权归原作者所有,本站只收取管理维护费用,若您的权益受到侵害,请尽快 发起投诉
大小:39.55MB
格式:pdf
版权:仅供学习,请勿商用
解压密码:www.bimzyw.com
声明:本站资源全部来自公开网络购买或收集,水印不代表署名仅用于防盗,版权归原作者所有。 版权说明:资源均源于互联网收集整理,不保证资源的可用及完整性,仅供个人学习研究,请勿商用。喜欢记得支持正版,若侵犯第三方权益,请及时联系我们删除!《版权声明》
0

评论0

请先
因资源获取成本持续上涨,本站为维持正常运营,将不定期上调赞助费用,用以覆盖运营开支。建议有需求的用户尽早加入,锁定当前优惠价格,早订阅早享受稳定服务。
显示验证码
没有账号?注册  忘记密码?

社交账号快速登录