所有分类
  • 所有分类
  • BIM模型

D702-1~3《常用低压配电设备及灯具安装》(2004)(合订本共3本)百度网盘PDF电子版下载

D702-1~3《常用低压配电设备及灯具安装》(2004)(合订本共3本)百度网盘PDF电子版下载
包含三个分册的国家建筑标准设计图集(04D702-1、96D702-2、03D702-3),聚焦常用低压配电设备及各类灯具的安装,为工业与民用建筑的电气安装工程提供全面规范参考。

核心内容概览

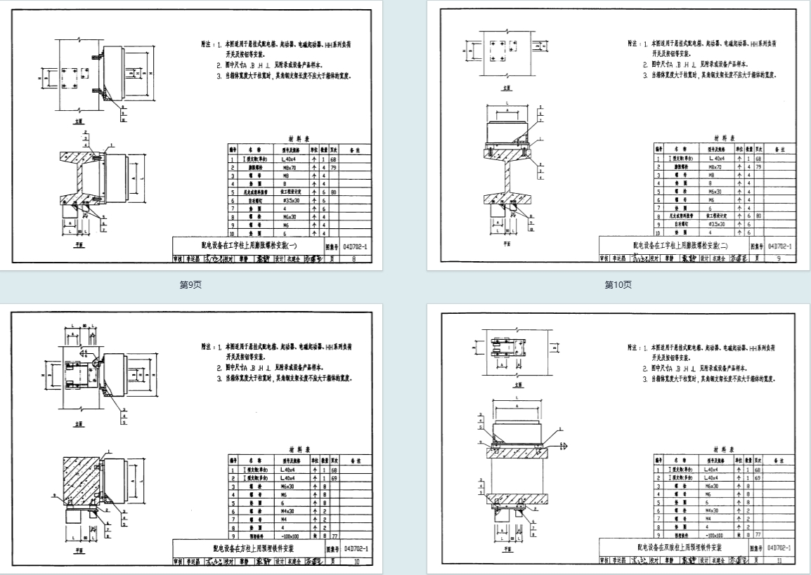
1. 04D702-1《常用低压配电设备安装》

  • 适用范围:适用于 1000V 以下正常环境的一般工业及民用建筑,不适用于爆炸及火灾危险环境。
  • 核心内容:涵盖配电设备在柱、墙、钢结构、楼板等不同结构上的明装、暗装、落地安装等多种方式;明确膨胀螺栓、射钉、型钢支架等固定件的选用与施工要求;附带各类配电设备外形尺寸表及安装零件图。
  • 设计依据:以《电气装置安装工程盘柜及二次回路结线施工及验收规范》等国家标准为依据。

2. 96D702-2《常用灯具安装》

  • 适用范围:适用于正常、无金属腐蚀性场所的工业及民用建筑灯具安装。
  • 核心内容:包含工厂灯、荧光灯、路灯、庭院灯、手术无影灯、水下灯等各类常用灯具的安装方式;详细规定支架制作、防腐处理、固定要求及布线方式;提供灯具安装所需附件的规格与施工要点。

3. 03D702-3《特殊灯具安装》

  • 适用范围:针对潮湿、洁净、水下、防爆等特殊场所,补充常用灯具安装图集未覆盖的内容。
  • 核心内容:涵盖防水防尘灯、油站专用灯、洁净灯、水下灯、航空障碍灯、体育场馆高杆灯等特殊灯具的安装;明确特殊场所的防护等级、接地要求、防腐处理及安全规范;包含灯具选型、支架设计、基础施工等全流程指导。
资源下载
下载价格8.00
本站资源来源于用户上传,版权归原作者所有,本站只收取管理维护费用,若您的权益受到侵害,请尽快 发起投诉
大小:8.58MB
格式:pdf
版权:仅供学习,请勿商用
解压密码:www.bimzyw.com
声明:本站资源全部来自公开网络购买或收集,水印不代表署名仅用于防盗,版权归原作者所有。 版权说明:资源均源于互联网收集整理,不保证资源的可用及完整性,仅供个人学习研究,请勿商用。喜欢记得支持正版,若侵犯第三方权益,请及时联系我们删除!《版权声明》
0

评论0

请先
因资源获取成本持续上涨,本站为维持正常运营,将不定期上调赞助费用,用以覆盖运营开支。建议有需求的用户尽早加入,锁定当前优惠价格,早订阅早享受稳定服务。
显示验证码
没有账号?注册  忘记密码?

社交账号快速登录